Home Depot Lg Washing Machine Parts

Pin On Washing Machine

Pin On Washing Machine

Pin On Washing Machine

Pin On Washing Machine

Pin On Home Improvement

Pin On Home Improvement

Pin On Washing Machine

Pin On Washing Machine

Pin On New Home

Pin On New Home

Pin On Home Ideas

Pin On Home Ideas

Pin On Home Ideas

LG washing machines come with a host of resource-saving features designed to suit your familys needs and make doing laundry easier.

Home depot lg washing machine parts. Top-load washing machines with EasyDispense allow you to add the detergent bleach and fabric softener all at once but will release them at just the right time in the cycle. 1-800-HOME-DEPOT 1-800-466-3337 Customer Service. LG Washer Seals and Gaskets.

Get free shipping on qualified LG Electronics Appliance Parts or Buy Online Pick Up in Store today in the Appliances Department. LG Washer Caps and Lids. Browse below to find an Authorised LG Parts Distributor.

Ad Washing Machine Dryer Dishwasher Parts Posted Australia Overseas. LG Electronics 27 in. Universal Stainless Steel Washing Machine Hose with Elbow 2-Pack The Everbilt Universal 2-pack stainless steel The Everbilt Universal 2-pack stainless steel washing machine hoses with elbows are built to prevent leaking corrosion kinking and crimping.

Open 7 days a week. The Everbilt drill pump kit delivers 300 GPH 3500 RPM or 205 GPH 2000 RPM and works with most electric drills. Please call us at.

Ad New Customers get Free Delivery on Their First Eligible Order. Unit 411 Hallstrom Place Wetherill Park NSW 2164. ALL GENERAL WHITE GOODS SERVICE.

Discover accessories for LG products from Appliances Computers Televisions and more. LG Washer Circuit Boards and Touch Pads. Ad Improve Your Business ROI - Get A Better Deal On Washing Machine Replacement Parts.

Pin On Washing Machine

Pin On Washing Machine

Washing Machine Hoses Home Depot Washing Machine Hose Washing Machine Lg Washing Machines

Washing Machine Hoses Home Depot Washing Machine Hose Washing Machine Lg Washing Machines

Coin Operated Washing Machine For Sale Lg Washing Machines Washing Machine Coin Operated

Coin Operated Washing Machine For Sale Lg Washing Machines Washing Machine Coin Operated

Pin On Washing Machine

Pin On Washing Machine

Pin On Appliances

Pin On Appliances

Pin On Freshour House

Pin On Freshour House

Pin On Under Counter Height Washer Dryer

Pin On Under Counter Height Washer Dryer

Pin On Dream House

Pin On Dream House

Direct Drive Washing Machine Washing Machine Washing Machine Hose Washing Machine Drain Hose

Direct Drive Washing Machine Washing Machine Washing Machine Hose Washing Machine Drain Hose

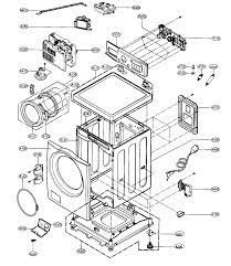
Pin On Lg Washer Washing Machine Service Manuals

Pin On Lg Washer Washing Machine Service Manuals

Lg Smart Wi Fi Enabled 2 3 Cu Ft Washer Capacity 2 3 Cu Ft Dryer Capacity Graphite Steel Ventless Combination Washer And Dryer Lowes Com In 2021 Lg Washer Lg Washer Dryer Combo Washer Dryer Combo

Lg Smart Wi Fi Enabled 2 3 Cu Ft Washer Capacity 2 3 Cu Ft Dryer Capacity Graphite Steel Ventless Combination Washer And Dryer Lowes Com In 2021 Lg Washer Lg Washer Dryer Combo Washer Dryer Combo

Pin On Dunstan Lane

Pin On Dunstan Lane

Pin On Master Wic

Pin On Master Wic

Home Depot Washing Machine Hose Washing Machine Hose Washing Machine Portable Washing Machine

Home Depot Washing Machine Hose Washing Machine Hose Washing Machine Portable Washing Machine

Source : pinterest.com