Car Door Lock Parts Names

Car Door Lock Mechanism Car Door Lock Door Locks Car Door

Car Door Lock Mechanism Car Door Lock Door Locks Car Door

Pin Di Tech Illustrations

Pin Di Tech Illustrations

Pin By Home Design Geek On Door Closer Parts Door Handles Thank You Card Images Diagram

Pin By Home Design Geek On Door Closer Parts Door Handles Thank You Card Images Diagram

Parts Of A Car List Of Useful Words About Car Parts With Esl Infographic English Study Online English Study English Vocabulary Learn English

Parts Of A Car List Of Useful Words About Car Parts With Esl Infographic English Study Online English Study English Vocabulary Learn English

English Words Car Parts Vocabulary Air Vent Alarm All Wheel Drive Alternator Antenna Anti Lock Brakes Armrest Auto Baby Car Vocabulary English Words Car Parts

English Words Car Parts Vocabulary Air Vent Alarm All Wheel Drive Alternator Antenna Anti Lock Brakes Armrest Auto Baby Car Vocabulary English Words Car Parts

Pin On Hardware

Pin On Hardware

Pin On Hardware

Power door locks which can work on a remote system.

Car door lock parts names. A metal plate on the edge of the door next to the latch or deadbolt the faceplate protects the lock from wear and tear. Willem hammersbach 4 months ago what is the usually black plastic piece at base under driver mirror not the base though. Technically only the inside of a knob is directly related to the locking mechanism.

So we tried to locate some good diagram of door lock parts photo to suit your needs. By Staff Writer Last Updated March 30 2020 The main parts of a door lock include the knob the dead latch the rose insert the strike plate and the key. Most vehicle doors are secured closed to the vehicle body with latches which may be locked to.

Strike plates prevent the wood from wearing out and allow the door to latch and lock correctly. As vehicles grow older mechanical parts can begin to fail door locks are no exception. The small mechanism is inserted into the car door and it is usually covered in with a round alloy metal for added protection.

Here at Repco we are proud to stock a wide range of car door lock repair accessories at affordable prices that everyone can enjoy. 69051-0K011RH 69052-0K011LH We have Many years experience in auto ac compressorauto ac evaporatorsauto condensersblower motor resistorsswitches and other auto ac partsauto. The shape of the faceplate used during installation depends on your doors preparation.

The door lock cylinder can be found on the outside of the car door. Strike plates come in a variety of shapes and sizes. The latch goes through the strike plate to form a secure lock or positive closure to the door.

The door handle releases the clasp so that the door can be opened. Its attached to the door lock operating rod thats behind the door panel. The cylinder or lock body is the part of the door lock where you insert the key.

English Vocabulary Different Parts Of A Car Eslbuzz Learning English English Vocabulary Car Mechanic Used Car Parts

English Vocabulary Different Parts Of A Car Eslbuzz Learning English English Vocabulary Car Mechanic Used Car Parts

Pin On Home Interior Pedia

Pin On Home Interior Pedia

Pin On Bmw Luxury Cars

Pin On Bmw Luxury Cars

Pin On Anatomy Of A Darkened Heart

Pin On Anatomy Of A Darkened Heart

1351 Parole Inglesi Per Piccoli E Grandi Dizionario Illustrato Clippedonissuu English Vocabulary English Language Learning Learn English Vocabulary

1351 Parole Inglesi Per Piccoli E Grandi Dizionario Illustrato Clippedonissuu English Vocabulary English Language Learning Learn English Vocabulary

Pin On Car Parts

Pin On Car Parts

Pin On Marina

Pin On Marina

Pin By Tourbel Idiomas On English Windscreen Wipers Bodywork Car Rear View Mirror

Pin By Tourbel Idiomas On English Windscreen Wipers Bodywork Car Rear View Mirror

Car Parts Names Of Parts Of A Car With Pictures 7esl Car Parts Car Car Accessories

Car Parts Names Of Parts Of A Car With Pictures 7esl Car Parts Car Car Accessories

Car Parts Vocabulary English Grammar Here English Grammar Vocabulary English Vocabulary

Car Parts Vocabulary English Grammar Here English Grammar Vocabulary English Vocabulary

The Safety System Of A Car Car Safety Features Car Safety Safety Pictures

The Safety System Of A Car Car Safety Features Car Safety Safety Pictures

What Is A Mercedes Abc System Mercedes Abc System

What Is A Mercedes Abc System Mercedes Abc System

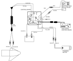
Download Minn Kota Edge 45 Parts Diagram Images In 2021 Minn Kota Diagram Kota

Download Minn Kota Edge 45 Parts Diagram Images In 2021 Minn Kota Diagram Kota

Pin On Design Info

Pin On Design Info

Source : pinterest.com